焚燒技術目前來看還是治理VOCs效率最高、最徹底的治理技術,其中RTO治理技術因治理效果好、運行穩定、成本較低,被廣泛應用于各行各業的有機廢氣治理中。但與此同時,RTO的應用也出現了一些安全問題,尤其是RTO爆炸影響尤為惡劣,下圖摘錄了近幾年RTO爆炸的部分典型案例:

近年RTO爆炸部分案例摘錄
可以看出RTO設備風險主要存在以下幾方面:
1、部分企業主體裝置設計時未考慮使用RTO,存在設計上安全措施不到位、自動化程度不足、實際工況與設備負荷不匹配。
2、企業有機廢氣的成份比較多元化、氣量不穩定。精細化工等企業間歇生產的特點,使得有機廢氣濃度和廢氣量都會有間歇性變化。
3、部分企業未充分根據自身企業實際,合理選擇使用設備設施,導致生產后實際工況與RTO 理想狀況相差較大。
4、儀表報警、連鎖設置不足,未嚴格控制RTO進口有機物的濃度。對化工企業有機廢氣的突發性排放等突發情況連鎖設置不足。
5技術及運維人員素質導致操縱不當、運維不當。面對發生突發問題時應對不得當、不及時。
RTO優化建議
儀表報警、連鎖設施不足眾所周知,RTO用于VOCs焚燒處理,因VOCs具有可燃性,再加上運行中的高溫、明火等特點,當濃度超過爆炸下限時,易發生爆炸。此外,氧化爐內熱量超過限值,也會發生超溫爆炸。另一方面,系統的儀表、閥門等設備出現故障或突發停電、停氣等,導致系統安全自控設計失效,系統也會發生超溫爆炸。

為了防止RTO安全事故的發生、降低事故損失,就必須把安全問題放在第一位來考慮,從源頭消減、過程預防、末端把控三方面梳理出14條優化建議。
一、源頭消減方面
1、去除:了解用戶的工藝,明確工藝過程中有機廢氣的排放特點及可能存在的突發因素去除不宜進入RTO的有機廢氣組分如采用冷凝方式回收部分高濃度有機廢氣組分;設置水噴淋裝置吸收洗滌酸、堿類氣體,保證進入RTO有機氣體達到進氣指標要求,從源頭開始風險防范。
2、減量:強化車間預處理,如將常溫循環水改為冷凍鹽水,提高冷凝效率;增加吸收類循環液的更換頻次,并設置自動加藥、排污控制,提高吸收效率等,以減少進入RTO系統中VOCs的總量,從而降低廢氣達到爆炸的風險。
3、降濃:廢氣入口及必要的廢氣支路入口處安裝濃度監測儀,在儲罐呼吸氣、冷凝器不凝氣等濃度較高時,RTO入口加稀釋風閥,通過計算一定溫度時某成分飽和蒸氣壓下的濃度,并將其稀釋至爆炸下限(LEL)的25%設計風量;廢氣入口加設置緩沖罐并補充新風,確保進入RTO系統的廢氣濃度低于其25%LEL。
二、過程預防方面
4、導靜電:風管、風機等廢氣輸送設備設施在不腐蝕情況下盡量選擇刷有石墨涂層的玻璃鋼、碳鋼或不銹鋼材質,并跨接、接地;同時避免直角彎頭及彎頭處尖角,防止廢氣輸送過程中因摩擦起靜電而無法導出。
5、排積液:廢氣常因洗滌塔除霧效果不佳或冷卻作用而在風管中形成積液,積液中含有VOCs并不斷揮發至廢氣中,存在濃度升高現象,須定期排出。
6、測濃度:在RTO系統前一定距離設置在線(實時)濃度檢測儀,并與RTO系統廢氣導入閥、應急排空閥連鎖控制,距離根據檢測儀響應時間確定,當廢氣濃度超過25%LEL時,廢氣導入閥關閉,應急排空閥開啟,防止高濃廢氣進入RTO系統。
7、通風:通過強制通風措施,滿足最低通風量要求,避免可燃物積聚、回火等。
8、泄爆:風管每隔一定間距設置泄爆閥,泄爆閥壓力低于風管承受應力;RTO系統前置洗滌塔在保證有效使用情況下選用低強度材質制作,以便爆炸發生時及時泄壓,減少爆炸損失。
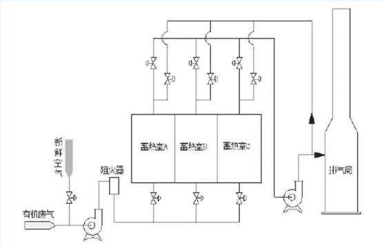
9、閉閥:RTO爐應設置斷電斷氣后進氣閥、排氣閥緊急關閉,防止煙囪效應引起蓄熱層下部溫度上升。

緊急閥門布置示意圖
三、末端把控方面
10、雙旁通設計:對RTO系統設置冷旁通、熱旁通,其中冷旁通與濃度檢測儀、廢氣導入閥、應急排空閥連鎖,當濃度超過25%LEL時,廢氣導入閥關閉,廢氣無法進入RTO系統;應急排空閥開啟,廢氣經冷旁通處理達標后排放。熱旁通與新風閥、溫度儀、壓力計連鎖,當RTO爐內溫度、壓力異常時,新風閥開啟,稀釋濃度降溫降壓,熱旁通閥開啟,部分高溫廢氣直接從氧化室排出,經混合器降溫冷卻后排至煙囪,確保RTO系統安全連續運行。
11、雙流場模擬:RTO爐設計時對廢氣進行氣流場和熱流場模擬,其中氣流場模擬確保RTO爐內無死角,廢氣能夠均勻流暢通過,避免局部湍流或濃度過高;熱流場模擬確定陶瓷裝填量,選擇適宜熱回收效率,避免RTO爐蓄熱室冷端溫度過高,減少安全隱患。
12、優化收集系統:對吸風罩、風機選用進行規范設計,同時廢氣收集管線需統籌規劃,形成支管→主管→處理裝置→總排口的收集處理系統,確保廢氣收集效果。對于易燃易爆廢氣在設計收集系統和預處理系統時,不追求過高的強度反而有利于系統安全,不過即使選用強度不高的設備和材料。
13、阻火:在RTO爐前端和生產車間后端風管設置阻火器、水封等,防止RTO爐或風管爆炸回火至前端或車間,減少事故損失。

阻火器安裝示意圖
14、監控:將RTO系統與生產、風管壓力計、中級風機、濃度檢測儀等連鎖控制,安裝在線監控系統并納入生產管理監控,避免生產與環保脫節,安排專人進行維護與管理,如RTO爐在發生爆炸前有機物濃度常會在短時間內迅速升高,此時系統若有人值守則可提前發出預警并采取必要的措施,避免事故的發生;同時對RTO各系統尾氣安裝VOC濃度在線監控系統,為企業管理提供必要的數據支撐。
VOCs治理設備督察檢查要點
近年由環保設施運營管理不善導致的安全事故頻發,屢見報道,特別是活性炭和焚燒等VOCs治理設施。然而,一切的重大變革都有重大事件的推動,響水事件發生后,環保設施的安全監管職責得到了進一步明確。
各地環保部門對地方和相關企業單位重點環保設施和項目組織開展更全面的安全風險評估和更為嚴格的隱患排查治理,那么RTO和RCO等VOCs治理焚燒類設備的環保督察要點是哪些?如何檢?怎么查呢?

(蓄熱)直接燃燒檢查要點

(蓄熱)催化氧化檢查要點
每一種技術都有其適用范圍,達標排放是第一位。焚燒技術目前來看還是治理VOCs效率最高、最徹底的治理技術。對于某些采用吸附、冷凝、膜分離、生物法等技術無法實現穩定的達標VOCs組分或者難于回收(或回收成本較高)還是要選擇燃燒的方式進行治理。
但在“碳達峰、碳達峰”的大背景下,采用冷凝回收、吸附吸收等技術的治理設備更能實現穩定達標、減少碳排放,將會在企業升級治理設施時列為優先考慮的技術選擇,比如制藥行業的VOCs,主要來源于溶劑,其本身回收難度低、可以重復利用、應盡量通過工藝改進和回收的方式減少VOCs排放,同時也能減少企業的原料消耗成本。
當前各省都在推進碳交易,企業在核算治理成本時不僅僅考慮工程建設成本和運行成本還應有環境成本、環保稅,還需要綜合考慮提前布局,一面被碳排放影響后續的擴張甚至是生產。
廣東建樹環保科技有限公司是一家專業從事工業廢水處理、工業廢氣處理和環境修復的環保設備研發與銷售服務的企業。為工業企業和市政工程等項目提供工業廢水處理、工業廢氣處理、有機廢氣VOCs處理的一體化解決方案,從“工程設計”、“工程承包”、“設備采購”、“安裝調試”、“耗材銷售”、“運營管理”、“環評辦理”等環節提供專業的差異化服務,聯系電話:135 5665 1700。